MDD辰达半导体回扫型ESD,为HDMI接口提供安全防护

      在消费电子、工业控制等领域,高速接口设备的稳定性与安全性愈发关键。静电放电(ESD)、电快速瞬变(EFT)及雷击浪涌等外部干扰,极易导致接口损坏、设备故障,造成数据丢失或经济损失。

 

      如何为这些高速、高价值的接口构建一道可靠的“防火墙”?MDD推出的的回扫型ESD保护器件,借紧凑封装与卓越性能,成为高速接口防护的优选方案。

 

一、为何选择“回扫型”ESD?

      不同于传统的钳位型TVS二极管,回扫型ESD器件拥有更低的动态电阻和更低的钳位电压。其工作原理是:在遭遇高压ESD脉冲时,它能迅速从高阻态“击穿”进入低阻态,像一道快速打开的泄洪闸,将瞬间大电流高效旁路至地,并在电压下降后迅速恢复。这种“快速响应、低压保护”的特性,对于工作电压本身就很低(如3.3V或5V)的高速数据线(如HDMI、USB)来说至关重要,能最大程度地确保后级精密芯片不被过压损坏

 

二、MDD保护器件性能优势

      MDD的保护器件有以下功能:MDD的防护器件能有效防护后端IC,有效应对静电和热插拔等异常干扰。MDD既提供了传统的集成多IO ESD和单独IO的分立ESD,也有专门的回扫型ESD器件,保护高端而敏感的低线宽、高集成的IC。MDD作为器件原厂,已通过ISO/TS16949体系认证,产品管控严格,保证产品的一致性,稳定性。


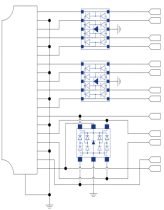
常用防护方案



三、选型推荐

    MDD推出了以下回扫型ESD,覆盖多重参数范围,为适配不同的场景而生,提供多款产品供选择。

TYPE NO.

Package


PPP(W)


VRWM
(V)


VBR(V)

Min


VC
(V)


IPP
(A)

 
IR
(μA)


CJ
(pF)

ESD0524P

DFN2510-10L

60

5

6

15

4

1

0.5

ME5V0U4UAGL

DFN2510-10L

60

5

6

10

6

0.1

0.65

ESD0504TL

SOT-23-6

60

5

6

15

4

1

0.45

ME3V3U1BAAS

DFN0603-2L

28

3.3

5

4

7

0.1

0.35

ME5V0U1BAAS

DFN0603-2L

28

5

6

4

7

0.1

0.35

ME5V0U1BAAE

DFN0603-2L

12

5

6

3

4

0.1

0.2

ME3V3U1BABS

DFN1006

28

3.3

5

4

7

0.1

0.35

ME5V0U1BABS

DFN1006

28

5

6

4

7

0.1

0.35

ME5V0U1BABE

DFN1006

12

5

6

2.9

4

0.1

0.2

ME5V0Z1BABH

DFN1006

360

5

6

12

30

0.1

60



Baidu
map